The Lumen Subsea Light is a blindingly bright LED light for use on ROVs, AUVs, and other subsea lighting applications. We designed this underwater light specifically for this purpose and it has a few neat features:
- Fully dimmable control using a PWM servo signal (1100-1900 μs)
- Simple on/off control with no signal needed
- Daisy-chainable to connect multiple lights from a single connection
- Automatic, smart over-temperature compensation for maximum light output and safety in air
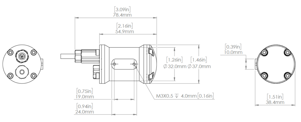
- Built-in mounting holes on the side of the case (M3 thread)
- Exponential brightness control with much lower minimum brightness output
- 500m depth rating
Using a high-efficiency Cree XLamp LED, the light outputs over 1500 lumens at 15 Watts – brighter than most car headlights! It has a 135 degree beam angle for wide illumination in front of an ROV. The color temperature is 5700K, similar to most dive lights and ROV lights.
In addition to really high brightness, the Lumen is designed for very low brightness output, which is important to be able to illuminate the scene without washing out the colors or brightness. An exponential brightness curve makes it intuitive to use effectively.
It’s housed in a rugged hard-anodized aluminum enclosure with two cable penetrators at the rear, allowing it to go to a depth of 500m. By default, the second cable penetrator is blank, but the light comes with a second penetrator to allow a second light to be connected to the first (daisy-chaining). That means you only need one cable coming from the main watertight enclosure to control multiple lights!
The specially designed injection molded acrylic lens ensures a consistent beam angle in both air and water. The case has a built-in mounting bracket with two M3 threaded holes for mounting to your vehicle.
For those who want to use the light in other applications, like scuba diving, the light can be operated without a PWM signal. Just connect the yellow signal wire to the power wire and it will turn on! A switch can be used here to make this even more convenient.
The light operates on 10-48V inputs and can accept PWM signals from 3-48V! It is compatible with many common boards like the Arduino, Raspberry Pi, and PixHawk. The case warms up to a comfortable 55°C (131°F) when operated in air and stays much cooler in water.






